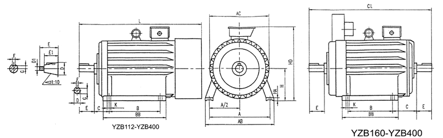
| IM1001、IM1003 & IM1002、IM1004 Horizontal installation, Frame with foot end shield without flange motor YZP112、YZP400 |
| Base frame numbe |
Installation dimension and tolerance |
Outline dimension |
| A |
A/2 |
B |
C |
D |
D1 |
E |
E1 |
F |
G |
H |
K |
Bolt diameter |
AB |
AC |
BB |
HA |
HD |
L |
CL |
| Basic dimension |
Limit deviation |
Basic dimension |
Limit deviation |
Basic dimension |
Limit deviation |
Basic dimension |
Basic dimension |
Limit deviation |
Basic dimension |
Limit deviation |
Basic dimension |
Limit deviation |
Basic dimension |
Limit deviation |
| 112M |
190 |
95 |
140 |
70 |
±2.0 |
32 |
|
﹣ |
80 |
±0.37 |
﹣ |
10 |
0 |
27 |
|
112 |
|
12 |
|
M10 |
250 |
245 |
235 |
15 |
330 |
590 |
|
| 132M |
216 |
108 |
178 |
89 |
38 |
+0.018 |
-0.036 |
33 |
132 |
275 |
285 |
260 |
17 |
360 |
645 |
|
| 160M |
254 |
127 |
210 |
108 |
±3.0 |
48 |
+0.002 |
110 |
±0.43 |
14 |
|
42.5 |
|
160 |
0 |
15 |
+0.43 |
M12 |
320 |
325 |
290 |
20 |
420 |
758 |
718 |
| 160L |
254 |
|
-0.5 |
0 |
335 |
800 |
762 |
| 180L |
279 |
139.5 |
279 |
121 |
55 |
﹣ |
M36×3 |
82 |
0 |
19.9 |
|
180 |
|
|
360 |
360 |
380 |
22 |
460 |
870 |
800 |
| 200L |
318 |
159 |
305 |
133 |
60 |
M42×3 |
140 |
±0.50 |
105 |
16 |
-0.043 |
21.4 |
0 |
200 |
|
19 |
|
M16 |
405 |
405 |
400 |
25 |
510 |
975 |
928 |
| 225M |
356 |
178 |
311 |
149 |
±4.0 |
65 |
|
23.9 |
-0.2 |
225 |
455 |
430 |
410 |
28 |
545 |
1050 |
998 |
| 250M |
406 |
203 |
349 |
168 |
70 |
M48×3 |
18 |
25.4 |
|
250 |
24 |
M20 |
515 |
480 |
510 |
30 |
605 |
1195 |
1092 |
| 280S |
457 |
228.5 |
368 |
190 |
85 |
- |
M56×4 |
170 |
130 |
20 |
|
31.7 |
|
280 |
|
+0.52 |
575 |
535 |
530 |
32 |
665 |
1265 |
|
| 280M |
419 |
0 |
580 |
1315 |
|
| 315S |
508 |
254 |
406 |
216 |
95 |
M64×4 |
22 |
0 |
35.2 |
315 |
0 |
28 |
|
M24 |
640 |
620 |
35 |
750 |
1390 |
|
| 315M |
457 |
-0.052 |
-1.0 |
630 |
1440 |
|
| 355M |
610 |
305 |
560 |
254 |
110 |
M80×4 |
210 |
±0.58 |
165 |
25 |
|
41.9 |
|
355 |
|
740 |
710 |
730 |
38 |
840 |
1650 |
|
| 355L |
630 |
800 |
1720 |
|
| 400L |
686 |
343 |
710 |
280 |
130 |
- |
M100×4 |
250 |
200 |
28 |
|
50 |
400 |
35 |
+0.62 |
M30 |
855 |
840 |
910 |
45 |
950 |
1865 |
|
| 0 |
|
| |
 |
| |
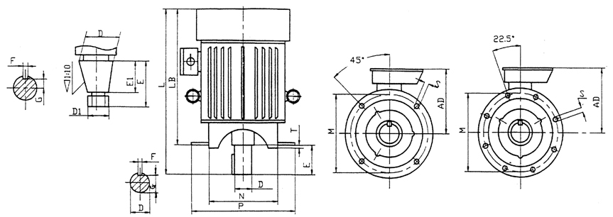
| IM3001、IM3003 Horizontal installation, Frame with foot end shield without flange motor YZP112、YZP225 |
| Base frame numbe |
Installation dimension and tolerance |
Outline dimension |
|
Flang number
|
D |
D1 |
E |
E1 |
F |
G |
M |
N |
P |
R |
S |
Bolt diameter |
T Maximum |
Whole number |
AD |
L |
LA |
LB |
| Basic dimension |
Limit deviation |
Basic dimension |
Limit deviation |
Basic dimension |
Basic dimension |
Limit deviation |
Basic dimension |
Limit deviation |
Basic dimension |
Limit deviation |
Basic dimension |
Limit deviation |
Basic dimension |
Limit deviation |
| 112M |
FF215 |
32 |
+0.018
-0.002 |
﹣ |
80 |
±0.37 |
﹣ |
10 |
|
27 |
0
-0.2 |
215 |
180 |
+0.014 |
250 |
0 |
±2 |
15 |
+0.43
0 |
M12 |
4 |
4 |
220 |
590 |
14 |
510 |
| 0 |
-0.011 |
| 132M |
FF265 |
38 |
-0.036 |
33 |
265 |
230 |
|
300 |
230 |
640 |
560 |
| 160M |
FF300 |
48 |
110 |
±0.43 |
14 |
|
42.5 |
300 |
250 |
+0.016 |
350 |
±3 |
19 |
+0.52
0 |
M16 |
5 |
250 |
820 |
18 |
710 |
| 160L |
|
-0.013 |
870 |
760 |
| 180L |
55 |
﹣ |
M36×3 |
82 |
0 |
19.9 |
|
280 |
910 |
800 |
| 200L |
FF400 |
60 |
M42×3 |
140 |
±0.50 |
105 |
16 |
-0.043 |
21.4 |
400 |
350 |
±0.018 |
450 |
8 |
320 |
1050 |
20 |
910 |
| 225M |
65 |
|
23.9 |
±4 |
1110 |
970 |
|
| |
 |
| |
| IM1001、IM1003 & IM1002、IM1004 Horizontal installation of the base chassis foot end cap flange motor YZP112、YZP315 |
|
Base frame number
|
Installation dimension and tolerance
|
Outline dimension
|
|
Flang number
|
D
|
D1
|
E
|
E1
|
F
|
G
|
M
|
N
|
P
|
R
|
S
|
Bolt diameter
|
T Maximum
|
Whole number
|
AD
|
L
|
LA
|
LB
|
|
Basic dimension
|
Limit deviation
|
Basic dimension
|
Limit deviation
|
Basic dimension |
Basic dimension
|
Limit deviation
|
Basic dimension
|
Limit deviation
|
Basic dimension
|
Limit deviation
|
Basic dimension
|
Limit deviation
|
Basic dimension
|
Limit deviation
|
|
112M
|
FF251
|
32
|
+0.018
-0.002
|
﹣
|
80
|
±0.37
|
﹣
|
10
|
0
-0.036
|
27
|
0
-0.2
|
215
|
180
|
+0.014
-0.011
|
250
|
0
|
±2
|
15
|
+0.043
0
|
M12
|
4
|
4
|
220
|
590
|
14
|
510
|
|
132M
|
FF265
|
38
|
33
|
265
|
230
|
+0.016
-0.013
|
300
|
230
|
640
|
560
|
|
160M
|
FF300
|
48
|
110
|
±0.43
|
14
|
0
-0.043
|
42.5
|
300
|
250
|
350
|
±3
|
19
|
+0.52
0
|
M16
|
5
|
250
|
820
|
18
|
710
|
|
160L
|
870
|
760
|
|
180L
|
55
|
﹣
|
M36×3
|
82
|
19.9
|
280
|
910
|
800
|
|
200L
|
FF400
|
60
|
M42×3
|
140
|
±0.50
|
105
|
16
|
21.4
|
400
|
350
|
±0.018
|
450
|
8
|
320
|
1050
|
20
|
910
|
|
225M
|
65
|
23.9
|
±4
|
1110
|
970
|
|
250M
|
FF500
|
70
|
M48×3
|
18
|
25.4
|
500
|
450
|
±0.020
|
550
|
385
|
1280
|
22
|
1140
|
|
280S
|
85
|
﹣
|
M56×4
|
170
|
130
|
20
|
0
-0.052
|
31.7
|
435
|
1380
|
1210
|
|
280M
|
1430
|
1260
|
|
315S
|
FF600
|
95
|
M64×4
|
22
|
35.2
|
600
|
660
|
±0.022
|
660
|
24
|
M20
|
6
|
520
|
1490
|
25
|
1320
|
|
315M
|
1540
|
1370
|
|
| |
 |
| |