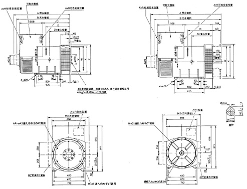
| DL4外形圖 Dimensions (點(diǎn)擊放大) |
|
 |
| |
|
尺寸
Dimensions
|
|
鐵芯 Core
|
Cof G
|
A
|
B
|
C
|
D
|
|
DL4C
|
463
|
1172
|
1101
|
584
|
493
|
|
DL4D
|
483
|
1172
|
1101
|
584
|
493
|
|
DL4E
|
504
|
1172
|
1101
|
584
|
493
|
|
DL4F
|
530
|
1262
|
1191
|
674
|
583
|
|
|
尺寸
Dimensions
|
|
機(jī)座 Core
|
Cof G
|
A
|
B
|
C
|
D
|
|
DL4C
|
433
|
1326
|
1254
|
554
|
463
|
|
DL4D
|
453
|
1326
|
1254
|
554
|
463
|
|
DL4E
|
474
|
1326
|
1254
|
554
|
463
|
|
DL4F
|
500
|
1416
|
1344
|
644
|
553
|
|
|
|
|
法蘭式過渡接套
Flange Adaptors
|
|
SAE
|
R
|
S
|
T
|
N
|
W
|
X
|
Y
|
|
0
|
12
|
14
|
679.5
|
16
|
626
|
647.6
|
711
|
|
1/2
|
12
|
14
|
619.1
|
12
|
569
|
584.1
|
680
|
|
1
|
12
|
12.7
|
530.2
|
12
|
496
|
511.1
|
617
|
|
2
|
12
|
11
|
466.7
|
12
|
432
|
477.6
|
617
|
|
3
|
12
|
11
|
428.6
|
12
|
394
|
409.5
|
617
|
|
|
法蘭式過渡接套
Flange Adaptors
|
|
SAE
|
R
|
S
|
T
|
W
|
X
|
Y
|
E
|
|
1
|
12
|
12,7
|
530,2
|
496
|
511.1
|
553
|
150
|
|
1/2
|
12
|
14
|
619.1
|
569
|
584.1
|
648
|
150
|
|
0
|
16
|
14
|
679,5
|
632
|
647.6
|
711
|
150
|
|
12V135
|
12
|
14
|
625.0
|
590
|
604.9
|
660
|
158
|
|
| |
|
|
盤片式聯(lián)軸器
Disc Couplings
|
|
S.A.E
|
XG
|
AR
|
AS
|
AT
|
V
|
|
11.5
|
39.68
|
8
|
10.3
|
333.4
|
352.3
|
|
14
|
25.4
|
8
|
13.5
|
438.1
|
466.6
|
|
18
|
15.87
|
6
|
16.7
|
543.0
|
571.1
|
|